ASTM D695 Compression Test on Composites and Plastics

ASTM D695 is a standard test method used to determine the compressive properties of rigid plastics.

Standards:

ASTM D3846, ASTM D695, EN 2850 (type B1&B2 Specimen)

Request A Quote Files Download

ASTM D695 Compression Test on Composites and Plastics

Applications:

»ASTM D695 is a standard test method used to determine the compressive properties of rigid plastics. This test is crucial for assessing how these materials perform under compression, which is essential for ensuring the safety and reliability of products in industries like automotive and aerospace. In this article, we will explore the key aspects of ASTM D695, including its methodology, specimen requirements, and the importance of the data it provides.

»The following text is limited to the ASTM D695 test setup with support jig for high-modulus and reinforced plastics with a laminate thickness of < 3.2 mm. The end loading compression tests to DIN EN 2850 Method B, Boeing BSS 7260 Type III & IV (modified ASTM D695) and SACMA SRM-1R-94, which have been further developed from ASTM D695, are also described. The latter also enable compression tests on unidirectional (UD) carbon fiber-reinforced laminates with correspondingly high stiffness and strength.

Parameter:

Model

HST-ZYB204J

Standards

ASTM D3846, ASTM D695, EN 2850

(type B1&B2 Specimen)

Capacity(kN)

20

Loading method

End loading

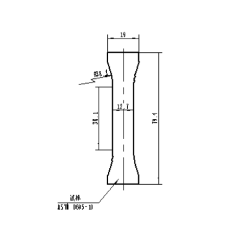
Specimen size

79.5x12.7×(2~6),(75~80)×12.5x2mm

Temperature(℃)

-70~350



Files Download

Name Type Size Download
ASTM D695 Compression Test on Composites and Plastics PDF 182 KB

Relate Products

LEAVE A MESSAGE

You can also contact me via email. My email address is admin@hssdtest.com

Quickly Quotation:

+86-15910081986