ASTM D7078 V-Notched Rail Shear Testing Method of CFRP

ASTM D7078 V-Notched Rail Shear Testing Method of CFRP.

Standards:

ASTM D7078,GB/T28889

Request A Quote Files Download

ASTM D7078 V-Notched Rail Shear Testing Method of CFRP

Applications:

The compression ASTM D7078 is commonly used for:

»Aerospace and defense composite material qualification

»Automotive structural composite evaluation

»Research and development of laminated thermoset and thermoplastic composites

It is applicable to:

»Unidirectional or multidirectional laminate composites

»Carbon fiber, glass fiber, aramid fiber, and hybrid fibers

»Specimens with or without woven reinforcements

Parameter:

Model

HST-ZJB204F

Standards

ASTM D7078,GB/T28889

Capacity

20kN

Specimen type

Fiber reinforced composite material

Specimen size(LxWxT)

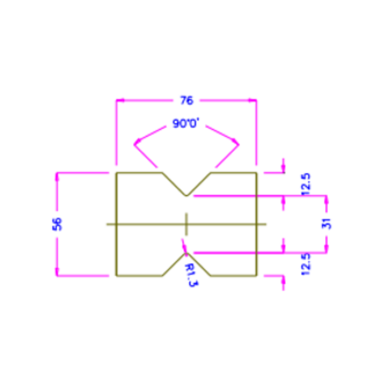
76x56×(0~10) mm

Temperature(℃)

-70~350


Files Download

Name Type Size Download
ASTM D7078 V-Notched Rail Shear Testing Method of CFRP PDF 170 KB

Relate Products

LEAVE A MESSAGE

You can also contact me via email. My email address is admin@hssdtest.com

Quickly Quotation:

+86-15910081986